| Cantidad: | |
|---|---|
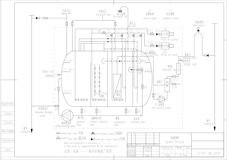
- Rendimiento STP
1) Capacidad de eliminación de aguas residuales:
a) Aguas negras: excrementos y orinadel baño
b) Aguas grises: aguas residuales de la sala de cocina y del baño.
2) Puede desarrollarse como un sistema de reciclaje de aguas residuales.
-Certificación:
MED, CCS, LR, GL, BV, etc.
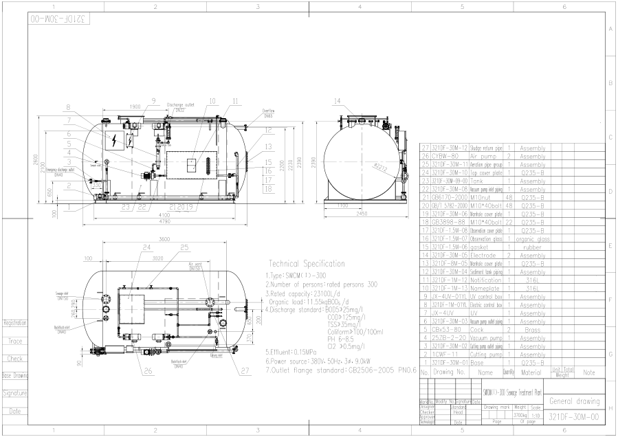
-Datos Técnicos de la Planta de Tratamiento de Aguas Residuales MBR
| Modelo | SWCM- | ||||||||||||||||||||||||||||||
| 15 | 20 | 25 | 30 | 40 | 50 | 60 | 80 | 100 | 120 | 150 | 200 | 250 | 300 | 400 | |||||||||||||||||
| Carga | Carga media (L/d) | 1190 | 1540 | 1890 | 2310 | 3080 | 3780 | 4480 | 6020 | 7700 | 9100 | 11200 | 14700 | 18200 | 23100 | 30800 | |||||||||||||||
| Carga máxima (l/h) | 149 | 193 | 237 | 289 | 385 | 473 | 560 | 753 | 963 | 1138 | 1400 | 1838 | 2275 | 2888 | 3850 | ||||||||||||||||
| Carga orgánica (kgDBO5/d) | 0.595 | 0.77 | 0.945 | 1.155 | 1.54 | 1.89 | 2.24 | 3.01 | 3.85 | 4.55 | 5.6 | 7.35 | 9.1 | 11.55 | 15.4 | ||||||||||||||||
| Capacidad nominal (hombres) | 15 | 20 | 25 | 30 | 40 | 50 | 60 | 80 | 100 | 120 | 150 | 200 | 250 | 300 | 400 | ||||||||||||||||
| Capacidad máxima (hombres) | 17 | 22 | 27 | 33 | 44 | 54 | 64 | 86 | 110 | 130 | 160 | 210 | 260 | 330 | 440 | ||||||||||||||||
| Electricidad | CA 380 V/50 Hz/3φ, CA 415 V/50 Hz/3φ, CA 440/60 Hz/3φ | ||||||||||||||||||||||||||||||
| Potencia (kW) | 2.5 | 2.5 | 2.5 | 2.5 | 3.0 | 3.0 | 3.5 | 4.0 | 4.0 | 4.0 | 6.0 | 6.0 | 7.0 | 9.0 | 11 | ||||||||||||||||
| Dimensión externa (mm) L×W×H | 1870 × 1200 × 1400 | 1745 × 1400 × 1525 | 1935 × 1400 × 1560 | 1985 × 1500 × 1650 | 2400 × 1600 × 1700 | 2410 × 1700 × 1850 | 2670× 1700 × 1850 | 2780× 1900 × 2050 | 2795× 2000 × 2200 | 3000× 2000 × 2200 | 3050× 2200 × 2300 | 3600× 2200 × 2350 | 3880× 2400 × 2570 | 4750× 2400 × 2570 | 5950× 2400 × 2570 | ||||||||||||||||
| Peso | Peso seco (kg) | 1000 | 1000 | 1200 | 1200 | 1300 | 1450 | 1600 | 1850 | 2200 | 2300 | 2800 | 3000 | 3300 | 3700 | 4200 | |||||||||||||||
| Peso húmedo (kg) | 2283 | 2640 | 2740 | 3500 | 4400 | 5073 | 5270 | 6517 | 8268 | 9166 | 11340 | 13267 | 16538 | 20357 | 25417 | ||||||||||||||||
| Estándar de efluentes | DBO5≤25mg/L, DQO≤125mg/L, SST≤35mg/L, coliforme≤100/100ml, PH6~8.5, CL2≤0,5 mg/ | ||||||||||||||||||||||||||||||
- Rendimiento STP
1) Capacidad de eliminación de aguas residuales:
a) Aguas negras: excrementos y orinadel baño
b) Aguas grises: aguas residuales de la sala de cocina y del baño.
2) Puede desarrollarse como un sistema de reciclaje de aguas residuales.
-Certificación:
MED, CCS, LR, GL, BV, etc.
-Datos Técnicos de la Planta de Tratamiento de Aguas Residuales MBR
| Modelo | SWCM- | ||||||||||||||||||||||||||||||
| 15 | 20 | 25 | 30 | 40 | 50 | 60 | 80 | 100 | 120 | 150 | 200 | 250 | 300 | 400 | |||||||||||||||||
| Carga | Carga media (L/d) | 1190 | 1540 | 1890 | 2310 | 3080 | 3780 | 4480 | 6020 | 7700 | 9100 | 11200 | 14700 | 18200 | 23100 | 30800 | |||||||||||||||
| Carga máxima (l/h) | 149 | 193 | 237 | 289 | 385 | 473 | 560 | 753 | 963 | 1138 | 1400 | 1838 | 2275 | 2888 | 3850 | ||||||||||||||||
| Carga orgánica (kgDBO5/d) | 0.595 | 0.77 | 0.945 | 1.155 | 1.54 | 1.89 | 2.24 | 3.01 | 3.85 | 4.55 | 5.6 | 7.35 | 9.1 | 11.55 | 15.4 | ||||||||||||||||
| Capacidad nominal (hombres) | 15 | 20 | 25 | 30 | 40 | 50 | 60 | 80 | 100 | 120 | 150 | 200 | 250 | 300 | 400 | ||||||||||||||||
| Capacidad máxima (hombres) | 17 | 22 | 27 | 33 | 44 | 54 | 64 | 86 | 110 | 130 | 160 | 210 | 260 | 330 | 440 | ||||||||||||||||
| Electricidad | CA 380 V/50 Hz/3φ, CA 415 V/50 Hz/3φ, CA 440/60 Hz/3φ | ||||||||||||||||||||||||||||||
| Potencia (kW) | 2.5 | 2.5 | 2.5 | 2.5 | 3.0 | 3.0 | 3.5 | 4.0 | 4.0 | 4.0 | 6.0 | 6.0 | 7.0 | 9.0 | 11 | ||||||||||||||||
| Dimensión externa (mm) L×W×H | 1870 × 1200 × 1400 | 1745 × 1400 × 1525 | 1935 × 1400 × 1560 | 1985 × 1500 × 1650 | 2400 × 1600 × 1700 | 2410 × 1700 × 1850 | 2670× 1700 × 1850 | 2780× 1900 × 2050 | 2795× 2000 × 2200 | 3000× 2000 × 2200 | 3050× 2200 × 2300 | 3600× 2200 × 2350 | 3880× 2400 × 2570 | 4750× 2400 × 2570 | 5950× 2400 × 2570 | ||||||||||||||||
| Peso | Peso seco (kg) | 1000 | 1000 | 1200 | 1200 | 1300 | 1450 | 1600 | 1850 | 2200 | 2300 | 2800 | 3000 | 3300 | 3700 | 4200 | |||||||||||||||
| Peso húmedo (kg) | 2283 | 2640 | 2740 | 3500 | 4400 | 5073 | 5270 | 6517 | 8268 | 9166 | 11340 | 13267 | 16538 | 20357 | 25417 | ||||||||||||||||
| Estándar de efluentes | DBO5≤25mg/L, DQO≤125mg/L, SST≤35mg/L, coliforme≤100/100ml, PH6~8.5, CL2≤0,5 mg/ | ||||||||||||||||||||||||||||||