Teléfono/WhatsApp/Wechat:0086-15922636221
Usted está aquí: Hogar » Productos » Equipos de protección del medio ambiente marino » Incinerador marino » IMO MEPC244 (66) Incinerador marino a bordo

CATEGORIA DE PRODUCTO

loading

Compartir con:
facebook sharing button
twitter sharing button
line sharing button
wechat sharing button
linkedin sharing button
pinterest sharing button
sharethis sharing button

IMO MEPC244 (66) Incinerador marino a bordo

Marine Incinerator está diseñado para deshacerse de los desechos sólidos y de lodos generados a bordo. Se encuentra con la resolución IMO MEPC 244 (66) 'Especificación estándar para incineradores a bordo ' y Marpol73/78 Anexo ⅵ ⅵ Regulación16.
Estado de Disponibilidad:
Cantidad:
Incinerador marino para la gestión de la basura
Marine Incinerator está diseñado para deshacerse de los desechos sólidos y de lodos generados a bordo.

Se encuentra con la resolución IMO MEPC 244 (66) 'Especificación estándar para incineradores a bordo ' y Marpol73/78 Anexo ⅵ ⅵ Regulación16.


El proceso de quema es controlado por el PLC, monitoreado por el HMI (interfaz de la máquina humana) y escaneado por el detector de llama. Las temperaturas de la cámara de combustión también están reguladas automáticamente por el sistema de control del PLC
incinerador23

Marina

incinerador14.3

Incinerador


Partes principales del incinerador marino

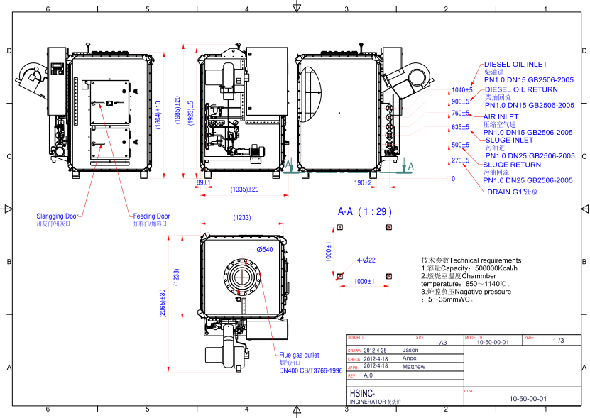
a. Cámara de combustión con quemador de aceite diesel, quemador de lodo y panel de control eléctrico.
b. Ventilador de gases de combustión  
do. Amortiguador de gases de combustión.
d. Tanque de lodo con bomba de circulación y calentador.


Especificación del incinerador marino

Modelos
HSINC-18
HSINC-50
HSINC-50A
HSINC-80
Capacidad
180,000 kcal/h
500,000 kcal/h
500,000 kcal/h
800,000 kcal/h

Temperatura de la cámara de combustión
Max. 1180 Celsius Grado
Funcionando 850-1150 Celsius Grado

Temperatura del gas de combustión
Max. 375 Celsius Grado
Trabajando 250-340 Celsius Grado

Temperatura superficial
Menos que la temperatura ambiente +20 Celsius Grado,
y menos de 60 ℃

 

Qq 图片 20 16051910060 7
Anterior: 
Siguiente: 
Peticiones sobre producto

Navegación

Lista de productos

Navegación

Contáctenos

Teléfono: 0086-023-62984891
Fax: 0086-023-62613622
WhatsApp/mafia:0086 15922636221
Correo electrónico: master@hy-industry.com
Skype: Hangyumarine
Copyright © 2020 Reuniendo equipos marinos Co., Ltd. Leadong